۲۸ آبان ۱۴۰۴
به روز شده در: ۲۸ آبان ۱۴۰۴ - ۲۰:۱۲
فیلم بیشتر »»
کد خبر ۳۳۹۹۴۶
تعداد نظرات: ۵ نظر
تاریخ انتشار: ۲۱:۱۲ - ۱۹-۰۳-۱۳۹۳
کد ۳۳۹۹۴۶
انتشار: ۲۱:۱۲ - ۱۹-۰۳-۱۳۹۳

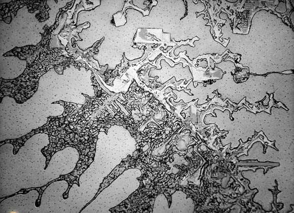
اشک انسان زیر میکروسکوپ (عکس)

روزلین فیشر، عکاس معروفی است که تصمیم به عکسبرداری از قطرات اشک خود در صبح یک روز کاری گرفته و آن را با قرار دادن در زیر میکروسکوپ با بزرگنمایی 40 برابر مطالعه و تصویربرداری کرده است.

اشک انسان زیر میکروسکوپ (عکس)
برچسب ها: اشک ، میکروسکوپ
ارسال به دوستان
انتشار یافته: ۵
در انتظار بررسی: ۱۱
غیر قابل انتشار: ۰
ناشناس
Germany
۲۱:۳۰ - ۱۳۹۳/۰۳/۱۹
4
66
اشک غم است یا اشک شوق ؟/
ناشناس
Iran (Islamic Republic of)
۲۱:۳۲ - ۱۳۹۳/۰۳/۱۹
4
27
شبیه عکسای هوایی از رودخونه هاست......
ناشناس
Iran (Islamic Republic of)
۲۱:۴۷ - ۱۳۹۳/۰۳/۱۹
9
12
شکل ظاهری اشک زیر میکروسکوپ بستگی به علت و شدت گریه هم دارد
ناشناس
Iran (Islamic Republic of)
۲۱:۵۳ - ۱۳۹۳/۰۳/۱۹
2
19
اشک دل شکسته
ناشناس
Iran (Islamic Republic of)
۲۱:۵۶ - ۱۳۹۳/۰۳/۱۹
3
21
بزرگنمایی 400 نه 40.
ورود کد امنیتی
captcha
ورزشگاه تختی میزبان بازی استقلال در جام حذفی سلطه فرنگی‌کاران ایران در جهان؛ ۴ طلا و ۶ مدال از ۶ وزن المپیک در بازی‌های کشورهای اسلامی بزرگترین محموله بنز ایران‌خودرو به گمرک رسید شوک چانگان به خودروسازی جهان؛ L06 اولین چینی با تعلیق مغناطیسی و نخستین کابین جهان با چیپ ۳ نانومتری(+عکس) تیک بن سلمان در دیدار با ترامپ (+عکس) فردین هدایتی طلایی شد؛ چهارمین نشان زرین فرنگی‌کاران ایران در بازی‌های کشورهای اسلامی لات، دعوت کن! / فرهیخته به درد نمی‌خورد، وایرال نمی‌شود استقلال خانه‌به‌دوش شد؛ ابهام در محل برگزاری اولین بازی جام حذفی مقابل پادیاب خلخال بلومبرگ: توافق اولیه آمریکا با عربستان درباره همکاری هسته‌ای عجیب‌ترین اتفاق تاریخ تیم ملی؛ ابهام بزرگ درباره مسئول انتخاب پنالتی‌زنان ایران؛ قلعه‌نویی یا طارمی؟ دانشمندان چین: زیر سطح مریخ شاید زندگی پنهان شده باشد! شروع طوفانی مدعیان لیگ برتر والیبال؛ پیکان و شهرداری ارومیه با پیروزی قاطع ۳ بر صفر بسکتبال سه‌نفره زنان ایران به فینال نرسید؛ شکست مقابل ترکیه در نیمه‌نهایی بازی‌های اسلامی اکسیوس: دولت ترامپ به‌طور محرمانه با روسیه روی یک طرح جدید برای پایان جنگ در اوکراین کار می‌کند تراشه‌های پیشرفته هوش مصنوعی؛ هدیه آمریکا به بن‌سلمان